
型號(hào) |
風(fēng)機(jī)直徑(mm) |
風(fēng)量(m3/h) |
全壓(pa) |
電機(jī)功率(kw) |
轉(zhuǎn)速(r/min) |
重量(kg) |
LFF-4-1 |
400 |
5500 |
410 |
1.1 |
2900 |
30 |
LFF-4.5-1 |
450 |
9000 |
410 |
1.5 |
2900 |
42 |
LFF-4.5-2 |
7500 |
410 |
1.5 |
2900 |
42 |
|
LFF-5-1 |
500 |
7500 |
200 |
0.75 |
1450 |
55 |
LFF-5-2 |
6500 |
200 |
0.75 |
1450 |
55 |
|
LFF-5-3 |
6000 |
250 |
0.75 |
1450 |
55 |
|
LFF-5-4 |
5000 |
400 |
1.1 |
2800 |
65 |
|
LFF-5-5 |
11000 |
410 |
2.2 |
2900 |
72 |
|
LFF-6-1 |
600 |
8000 |
200 |
0.75 |
1450 |
84 |
LFF-6-2 |
10000 |
200 |
1.1 |
1450 |
84 |
|
LFF-6-3 |
12000 |
200 |
1.1 |
1450 |
84 |
|
LFF-6-4 |
8000 |
420 |
1.5 |
1450 |
84 |
|
LFF-6-5 |
10000 |
420 |
2.2 |
1450 |
87 |
|
LFF-7-1 |
700 |
16000 |
200 |
1.5 |
1450 |
102 |
LFF-7-2 |
20000 |
220 |
2.2 |
1450 |
105 |
|
LFF-7-3 |
16000 |
290 |
2.2 |
1450 |
120 |
|
LFF-7-4 |
10000 |
450 |
2.2 |
1450 |
112 |
|
LFF-7-5 |
13000 |
450 |
3.0 |
1450 |
112 |
|
LFF-8-1 |
800 |
21000 |
220 |
2.2 |
1450 |
122 |
LFF-8-2 |
30000 |
220 |
3.0 |
1450 |
122 |
|
LFF-8-3 |
22000 |
290 |
3.0 |
1450 |
130 |
|
LFF-8-4 |
29000 |
290 |
4.0 |
1450 |
150 |
|
LFF-8-5 |
17000 |
500 |
4.0 |
1450 |
150 |
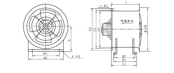
尺寸型號(hào) |
D1 |
D2 |
D3 |
L |
n |
LFF-4 |
410 |
450 |
490 |
280 |
8 |
LFF-4.5 |
460 |
500 |
540 |
280 |
8 |
LFF-5 |
510 |
550 |
590 |
280 |
8 |
LFF-6 |
610 |
640 |
690 |
320 |
8 |
LFF-7 |
710 |
770 |
790 |
320 |
10 |
LFF-8 |
810 |
860 |
910 |
400 |
12 |

機(jī)號(hào) |
D1 |
D2 |
D3 |
D4 |
L |
L1 |
M1 |
M2 |
M3 |
M4 |
n-φ1 |
4-φ2 |
H |
5 |
φ510 |
φ543 |
φ570 |
φ590 |
350 |
290 |
234 |
184 |
340 |
400 |
12-φ11 |
φ13 |
316 |
6 |
φ610 |
φ653 |
φ690 |
φ715 |
400 |
340 |
274 |
214 |
420 |
500 |
12-φ11 |
φ13 |
380 |
7 |
φ710 |
φ754 |
φ790 |
φ820 |
450 |
390 |
324 |
264 |
520 |
600 |
16-φ11 |
φ13 |
428 |
8 |
φ810 |
φ854 |
φ890 |
φ925 |
450 |
390 |
322 |
262 |
520 |
600 |
16-φ13 |
φ15 |
487 |
